繁中
简中
EN
关於我们
公司简介
主要服务项目
大事记
最新消息
产品介绍
统包工程
海水淡化
设备代理
设备组装&售后服务
活动荣誉
FAQ问与答
联络我们
首頁
产品介绍
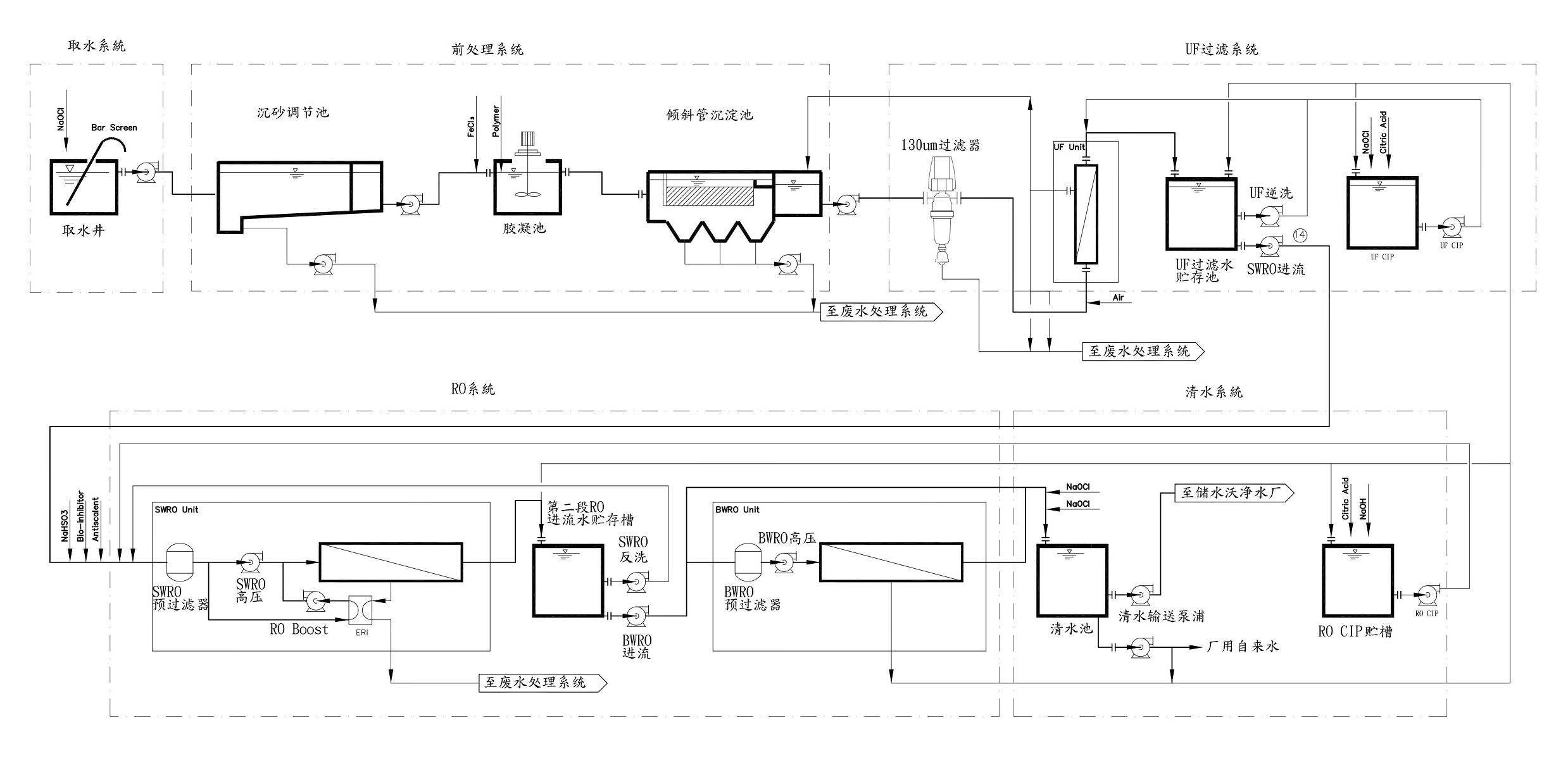
海水淡化
BTO
民间参与马祖南竿海水淡化厂兴建及营运计划
民间参与马祖南竿海水淡化厂兴建及营运计划
以促参法 BTO“兴建-移转-营运”之方式办理
日产水量950吨且淡化后之水质符合“饮用水水质”
采用先进双膜设计
采用先进的能源回收装置,有效降低造水成本及碳排放量
自动化中控管理,减少人力浪费
卤水回用
上一笔
下一笔
询价
海淡厂导览
海水淡化流程
影片
档案下载
English
日语
中文(繁体)
Seawater Desalination Catalogue_ch.pdf
无现货,
预订请留言